JIS Gate Valve

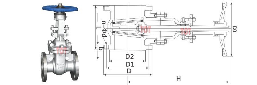
This JIS gate valve from TOT is a type of stainless steel gate valve, which is simple in design and complies with Japanese standards. The JIS gate valve consists of a valve body, a valve cover, a valve stem, a valve seat ring, a handwheel and a gate. The valve stem that connects the handwheel and the valve disc is responsible for driving the valve disc to the correct position.

We can provide you with manual, bevel gear transmission and electric stainless steel gate valves. Contact us now to get the most favorable ex-factory price.

Description

When the valve is open, the gate moves in the bonnet to allow full flow. When the gate valve is closed, the gate moves down into the seat, achieving a positive seal.

You can usually use this valve to stop or start flow, because they are not designed for throttling, the valve only operates in the fully open position or the fully closed position. We can also provide you with a two-way gate valve, allowing it to be used in both directions.

Flanged stainless steel gate valves are suitable for ANSIClass150~900, PN2.0~16.0MPa, JIS10~20K, working temperature -29~425℃ (carbon steel) and -40~500°C (stainless steel) on various pipelines, used to cut off or connect the media in the pipeline.

You can use our stainless steel gate valves for a variety of media fluids such as water, steam, oil, nitric acid, acetic acid, strong oxidizing media and urea.

 

JIS Gate Valve Execution Standard

Design & ManufactureStructure LengthConnection FlangePressure-temperature RatingTest & Inspection
JIS B2073 B2083JIS B2002JIS B2212 B2214JIS B2073 B2083JIS B2003

 

Structural Characteristics

– Excellent flow and minimized friction loss

– Product design and manufacturing meet the requirements of JIS advanced standards, reliable sealing and excellent performance

– Compact and reasonable structural design, beautiful appearance

– Adopt wedge-type elastic gate structure, medium and large diameters are equipped with rolling bearings, easy to open and close

– A full range of valve body materials, packing and gaskets are reasonably selected according to actual working conditions or user requirements, Applicable to various pressure, temperature and medium working conditions

– Select a variety of JIS piping flange standards and flange sealing surface types to meet various engineering needs and user requirements

– Excellent performance in humid or corrosive environments

 

Main Components Material

The TOT Valve body and wedge are cast or forged from a variety of high-quality materials, including stainless steel, cast steel and alloy steel, depending on the requirements of your gate valve application scenario.

The main materials of Packing and Gasket are PTFE or Graphite.

If you are interested in our gate valve materials, you can contact us by leaving your information in the form on the right.

NameMaterial
Valve Body/BonnetCF8CF3CF8MCF3MWCBLCBWC6WC9C5
WedgeCF8CF3CF8MCF3MWCBLCBWC6WC9C5
StemF304F304LF316F316L2CR13F304F304F304F304
Stem NutAluminium Bronze
PackingPTFEGraphite
GasketPTFEGraphite
GlandCF8CF3CF8MCF3MWCBLCBWC6WC9C5
BoltStainless Steel35CrMoA
NutStainless Steel45, 35CrMoA
HandwheelCast Steel

 

JIS Gate Valve Main External and Connection Dimension

Main External and Connection Dimension

TOT Valve can provide you with JIS Gate Valve of various sizes and models. We list all existing JIS Gate Valve Sizes.

The data we provide can be used for your reference. If you do not have the gate valve size you need, you can contact us immediately. Our professional sales manager will contact you and can provide you with exclusive ODM and OEM services.

DN10K
mminLHDO
502178409200
65190535250
803203570250
1004229590250
1506267630300
2008292960350
250103301158400
300123561378450
350143811543500
400164061738600
450184321959600
500204572214680
20K
502216480200
65241510250
803283580280
1004305700350
1506403940400
20084191190450
250104571390500
300125021600500
350147621750600
400168381900600
450189142320650
Fast Response & Competitive Pricing Start Here

* We are not just providing simple quotes but experts in selection, calculation, and drawing.

Related Products

DIN Gate Valve
GOST Gate Valve
API Gate Valve

Let TOT Valve Support Your Business