O-Type Reduced Port Ball Valves

O-Type Reduced Port Ball Valves are designed for reliable flow control in various industrial applications. Featuring a streamlined flow path with a reduced bore, these valves ensure precise throttling, lower flow rates, and minimized turbulence. Constructed from high-quality materials such as WCB, CF8, or CF8M, excellent corrosion resistance and durability even when you apply it under high pressure and high temperature conditions. Ideal for pipelines where full flow is not required, O-type ball valves are a cost-effective solution for chemical processing, water treatment, and general industrial use.

Get in touch now to request a quote or technical consultation – we’re ready to support your next project.

Premium O Type Ball Valves – Reliable Flow Control for Demanding Applications

This O-type ball valve is a quarter-turn reduced port on-off valve, mainly used for medium cut-off control. This series of ball valves is suitable for tight cut-off, fast cut-off, and two-way medium cut-off control. It is matched with pneumatic actuators and electric actuators and is widely used in process automatic control systems with high automation requirements in papermaking, chemical industry, food processing, petrochemical industry, etc.

With their streamlined flow path and smaller inside diameter, our O-type reduced-bore ball valves are ideal if you are regulating flow in a piping system that does not require full-bore flow. These valves are precision-engineered and industrially reliable to help you streamline your process, whether you are handling gas, liquid or steam.

Ready to Improve Your Flow Control? Our team is here to help you select the right configuration and material for your specific application. Submit an inquiry or request a quote today – and let’s make your system more efficient, safe, and reliable.

 

Main Technical Parameters & Performance

ItemSpecification
Nominal DiameterDN25–400 (1″-16″)
Pressure RatingPN10–16, 150Lb, 10K
Body MaterialsWCB, CF8, CF8M, CF3M
Main Sealing TypesMetal-to-metal seal, Soft seal
Sealing Surface MaterialsHard chrome plating, Stellite overlay welding, Tungsten carbide coating, Nickel-based alloy coating, Stellite coating; DEVLON, PEEK, PCTFE
Flange StandardsGB/T 9113, HG/T 20592, HG/T 20615, ASME B 16.5, EN1092, JIS B 2220:2004
Temperature Range-29°C to 400°C
Leakage ClassGB/T 4213, FCI 70-2 Class V/VI
Available AccessoriesLimit switch, solenoid valve, positioner, air filter regulator, etc.
Actuation ModesManual, Pneumatic, Electric, Electro-hydraulic
Connection Types  Flanged, Threaded, Welded, or Customized
Standards         ISO, ANSI, DIN, API, GB

 

o-type ball valve components

Main Components & Materials

No.Part NameMaterial
1BodyWCBCF8CF8M
2Double-End Stud35CrMOA304316
3O-ringNitrile RubberNitrile RubberNitrile Rubber
4Seat20Cr13 + STL304 + STL316 + STL
5Middle GasketNitrile Rubber/GraphiteNitrile Rubber/GraphiteNitrile Rubber/Graphite
6BallCF8 + CrCF8 + CrCF8M + Cr
7Spring316316316
8BonnetWCBCF8CF8M
9Washer SetQ235304304
10Nut45304316
11Key20Cr13304316
12Upper Stem20Cr13304316
13BushingPTFEPTFEPTFE
14O-ringNitrile RubberNitrile RubberNitrile Rubber
15Anti-Blowout SleeveWCBCF8CF8M
16Stud Bolt20Cr13304316
17Packing SetPTFEPTFEPTFE
18Gland FlangeWCBCF8CF8M
19Double-End Stud25304304
20Nut25304304
21Washer25304304
22Lower Stem20Cr13304316
23Washer25304316
24Back CoverWCBCF8CF8M
25WasherPTFEPTFEPTFE
26Stud25304316

 

o-type ball valve
Why Choose Our O Type Ball Valves?

Precision Flow Control
Our O-type reduced port design offers stable and accurate flow regulation, reducing fluid velocity and minimizing turbulence—ideal for systems that don’t require full flow.

Fast and Easy Operation
The 90-degree quarter-turn operation allows for quick shutoff or startup with minimal effort – ideal for systems requiring fast response.

Leak-Tight Sealing
A precision-machined ball and resilient soft seats ensure tight shutoff, even after thousands of cycles. You can count on reliable sealing performance.

Built to Withstand Harsh Media
Available in WCB, CF8, CF8M, and CF3M body options with PTFE, RPTFE, or metal seats – all tailored to suit your media, pressure, and temperature requirements.

Low Maintenance, Long Service Life
Our O Type valves are engineered for durability. Fewer moving parts mean lower maintenance and longer intervals between replacements.

 

O-Type Ball Valves Typical Applications

  • Oil & Gas Pipelines
  • Chemical Processing
  • Water Treatment Plants
  • Power Generation Systems
  • Steam & Thermal Fluid Networks
  • HVAC and Industrial Utilities

 

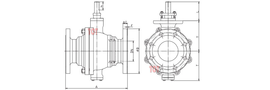
o-type ball valve size

O-Type Ball Valve Overall Dimensions

TOT Valves Can provide you with various sizes of O-type reduced port ball valves. We have listed some manual O-type ball valve sizes suitable for PN16 for your reference.

If you do not have the O-type reduced port ball valve size you need, you can contact us immediately. Our professional sales manager will contact you and can provide you with exclusive ODM and OEM services.

SizeABb1fTYLφdhSKMZTorque (Nm)
DNInch
251″1401151627475102163590284-M10540
321-1/4″1651401828081102163590284-M10576
401-1/2″1651501829093110203590284-M10690
502″20316520297100110203590284-M106110
652-1/2″222185202109112110203590284-M106160
803″2412002021281351152540110404-M128180
1004″3052202221451501152540110404-M128220
1255″3562502221931981403050135404-M168330
1506″3942852422102151403050135404-M168550
2008″4573402422512481404060135404-M1612890
25010″5334052623023011705060140644-M16141600
30012″6104602823373381705060140644-M16142200
35014″6865203023773802106080170804-M20183300
40016″76258032244744024070100200804-M24203700

 

Fast Response & Competitive Pricing Start Here

* We are not just providing simple quotes but experts in selection, calculation, and drawing.

Related Products

Pneumatic ANSI Flange Ball Valve
O-Type Full Port Ball Valves
V-port Ball Valves
Flange Segmented Ball Valves

Let TOT Valve Support Your Business