
Pneumatic ANSI Flange Ball Valve
If you’re looking for a highly reliable, fully automated ball valve that meets ANSI standards and performs under harsh industrial conditions, this Pneumatic ANSI Flange Ball Valve is built for your application. Designed to handle everything from water and oil to corrosive chemicals and pressurized gas, it offers you a robust shut-off solution that integrates seamlessly into your flow control systems.
Minimum MOQ, but we guarantee that we can deliver tested and qualified products on time.
Description
This air actuated ball valve features a full-bore design, ANSI B16.5 flange ends, and a rugged pneumatic actuator that enables precise remote operation. Whether you’re managing flow in a chemical plant or automating a water treatment line, this ANSI flange ball valve gives you the tight shut-off, long service life, and compatibility you need to keep operations efficient and safe.
TOT Valves Can provide you with ANSI ball valves in Class 150 and Class 300 pressure ratings, and regular sizes ranging from ½” to 8″, or they can be customized to meet the needs of your system.
TOT Valve As a professional ball valve manufacturer and supplier in China, can help you select the most suitable fluid control valve in the shortest time.
ANSI Ball Valve Features
- ANSI Flange Connection: Compatible with Class 150/300 ANSI B16.5 standards
- Full Port Design: Minimal flow resistance, ideal for clean or viscous media
- Reliable Pneumatic Actuation: Supports double-acting or spring-return operation
- Wide Temperature Tolerance: -40°C to 180°C
- Tight Seal Testing: 0.6 MPa low-pressure seal test, ensuring zero leakage
- High Structural Integrity: Strength test pressure up to 7.5 MPa
- Versatile Media Handling: Compatible with water, oil, gas, nitric acid, and acetic acid
Core Advantages at a Glance
- Fast & Precise Flow Control – Pneumatic actuator delivers consistent and rapid response time for automated systems
- Corrosion-Resistant Options – Choose from WCB, CF8, CF8M, Titanium, or Nickel based on your fluid characteristics
- Maintenance-Friendly Design – Simplified structure allows for easy inspection and servicing
- Bubble-Tight Shut-off – Guarantees no leakage in critical applications
- Flexible Sizing – Wide range of sizes from ½″ to 8″ covers most industrial requirements
- OEM/Customization Ready – Optional accessories like solenoid valves, positioners, and limit switches available
Main Components and Materials
| Component | Material Options |
|---|---|
| Body | WCB, CF8, CF8M, Titanium, Nickel |
| Ball | Stainless Steel / CF8M |
| Seats & Seals | PTFE / RPTFE / Metal Seated (optional) |
| Stem | Stainless Steel |
| Actuator | Aluminum Alloy (hard anodized) |

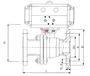
Pneumatic ANSI Flange Ball Valve Dimensions
Currently, we only organize the size range from ½ inch to 8 inch stainless steel ball valves. If you need detailed size drawings, please feel free to contact us. We can provide complete drawings and parameters according to your specific requirements.
| Size (Inch) | DN | L (mm) | D (mm) | K (mm) | D1 (mm) | N–Φ (mm) | C (mm) | W (mm) |
|---|---|---|---|---|---|---|---|---|
| ½” | 15 | 105 | 89 | 60.5 | 35 | 4–15 | 10 | 100 |
| ¾” | 20 | 116 | 98 | 70 | 43 | 4–15 | 11 | 108 |
| 1″ | 25 | 127 | 108 | 79.5 | 51 | 4–15 | 12 | 110 |
| 1-1/4″ | 32 | 140 | 117 | 89 | 64 | 4–15 | 13 | 165 |
| 1-1/2″ | 40 | 165 | 127 | 100 | 74 | 4–15 | 14.5 | 145 |
| 2″ | 50 | 178 | 152 | 120.5 | 92 | 4–19 | 16 | 165 |
| 2-1/2″ | 65 | 190 | 178 | 139.5 | 105 | 4–19 | 17.5 | 205 |
| 3″ | 80 | 203 | 190 | 152.5 | 127 | 4–19 | 19 | 225 |
| 4″ | 100 | 229 | 229 | 192 | 155 | 8–19 | 24 | 265 |
| 5″ | 125 | 356 | 254 | 216 | 186 | 8–22 | 24 | 380 |
| 6″ | 150 | 394 | 279 | 241.3 | 216 | 8–22 | 25.4 | 470 |
| 8″ | 200 | 457 | 343 | 298.5 | 270 | 8–22 | 29 | 626 |
Applications That Require High Reliability
This pneumatic ball valve is an excellent fit for industries where reliability, automation, and corrosion resistance are essential. You can confidently deploy it in:
- Chemical Processing: Handles aggressive acids and solvents without corrosion
- Oil & Gas: Suitable for both upstream and downstream systems
- Water Treatment Plants: Ideal for fluid switching and dosing lines
- HVAC & Building Systems: For chilled water, steam, or compressed air circuits
- Pharmaceutical & Food Production: Where hygienic flow control is a must (with SS options)
- Power Generation & Pulp Mills: Where automated control reduces operator intervention
Fast Response & Competitive Pricing Start Here
* We are not just providing simple quotes but experts in selection, calculation, and drawing.




